Düz Helis Konik Dişli Hesabı
v2.0 Beta
Düz Helis Konik Dişli Hesabı
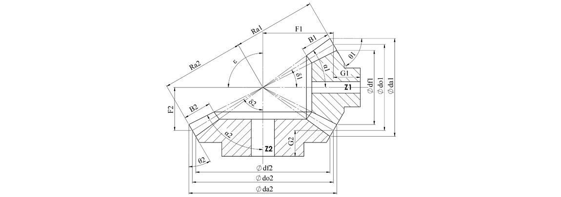
Modül (mn)
Döndüren Dişli Sayısı (Z1)
Diş Sayısı (Z2)
Toplam Çalışma Açısı (∑)
Döndüren Z1 Dişli Devri (d/dk)
Helis Açısı (β)
Derece°
Dakika'
Saniye"
Toplam Açı°
Z1
Diş Üstü Çapı (da)
Bölüm Dairesi Çapı (do)
Diş Dibi Çapı (df)
Diş Genişliği (B1)
Merkez Açısı (δ1)
Diş Üstü Açısı
Arka Sırt Açısı
Koni Ana Doğru Uzunluğu (R)
Merkez - Bölüm Dairesi Arası
Bölüm Dairesi - Göbek Çıkıntı Arası
Sanal Diş Sayısı (Zv)
Z2
da
do
df
B1
δ2
Diş Üstü Açısı
Arka Sırt Açısı
R
Merkez - Bölüm
Bölüm - Göbek
Zv
En Büyük Diş Derinliği (H)
İç Modül
İletim Devir Oranı Hesabı
İletim Oranı i=Z2/Z1
İletim Oranı 1:i
Z2 Devri (d/dk)
Z2 1 Turda Aldığı Yol (mm)
Z1 1 Dak. Aldığı Yol (mm)