Sonsuz Vida Karşılık Dişli Hesabı
v2.0 Beta
Sonsuz Vida Karşılık Dişli Hesabı
Modül (mn)
Karşılık Dişlisi Diş Sayısı (Z)
Vida Ağız Sayısı (G)
Vida Devri (dev/dk)
Helis Açısı (β)
Derece°
Dakika'
Saniye"
Toplam Açı°
İstenen Eksenler Arası (Ei)
Kontrol
~En Uygun Helis Açısı (βuy)
Kontrol
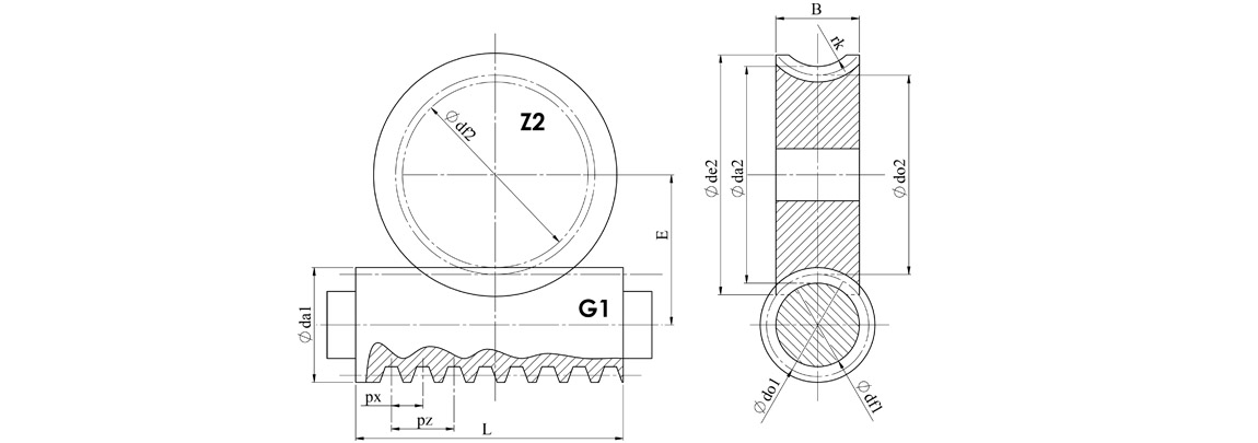
Vidanın Diş Çapı (Øda1)
~En Uygun Helis Açısı (βuy)
Sonsuz Vida
~Vida Üstü Çapı (Øda1)
Bölüm Dairesi (Ødo1)
Vida Dibi Çapı (Ødf1)
~Vida Boyu (L) mm
Eksenel Adım (px) mm
Helis Adımı (pz) mm
Karşılık Dişlisi
~En Büyük Dış Çap (Øde2)
~Diş Üstü Çapı (Øda2)
Bölüm Dairesi Çapı (Ødo2)
~Diş Dibi Çapı (Ødf2)
~Dişli Genişliği (B) mm
~Diş Dibi Yarı Çapı (rk) mm
Eksenler Arası (E) mm
Döndürülen Z'nin İletim/Devir Oranı Hesabı
İletim Oranı (Z'nin Turu)
:1=i
Dişlinin (Z) Devri dev/dk
Z'nin 1 Turda Aldığı Yol (mm)
Z'nin 1 Dakikada Aldığı Yol (mm)